Osciloscopios ROHDE AND SCHWARZ

Osciloscopios ROHDE AND SCHWARZ

Osciloscopios ROHDE AND SCHWARZ.


Guía para elegir un osciloscopio.

Los osciloscopios son instrumentos fáciles de usar con una amplia gama de especificaciones, opciones y capacidades. Muestran formas de onda que permiten caracterizar señales y depurar problemas de circuitos. Su flexibilidad tiene la ventaja de que pueden realizar muchos tipos de mediciones en múltiples dominios. Con tanta capacidad, es esencial entender qué significan las especificaciones al elegir un osciloscopio.

¿Qué es un osciloscopio?

Un osciloscopio es un instrumento que muestra formas de onda como voltaje a través del tiempo. Estos instrumentos "en tiempo real" capturan señales a medida que cambian. Típicamente, tienen una pantalla para mostrar las formas de onda y mediciones, controles para cambiar configuraciones como voltios por división, y conectores de entrada para cables o sondas.

Ancho de banda (Bandwith)

¿Qué significa el ancho de banda?

El ancho de banda es el rango de contenido de frecuencia que un osciloscopio puede medir. Los osciloscopios son uno de los pocos instrumentos de banda ancha que miden desde corriente continua (0 Hz) hasta su ancho de banda especificado. Esta especificación es la más importante al comprar un osciloscopio, ya que no puedes hacer mediciones precisas si un osciloscopio no tiene suficiente ancho de banda.

Osciloscopios ROHDE AND SCHWARZ

La respuesta en frecuencia del amplificador de entrada de un osciloscopio se asemeja a un filtro pasa bajos. Esa forma significa que pasa la mayor parte del contenido de la señal desde corriente continua (DC) hasta donde la atenuación disminuye en 3 decibelios (dB). El punto de -3 dB es donde los osciloscopios definen su "ancho de banda" y representa aproximadamente una reducción del 30% en el voltaje en ese punto de frecuencia.

¿Cómo elegir el ancho de banda que necesitas?

Elegir un ancho de banda para una aplicación específica puede ser complicado al seleccionar un osciloscopio. Por ejemplo, si solo planeas observar ondas senoidales, solo necesitas asegurarte de tener un poco más de ancho de banda que la frecuencia máxima de portadora para compensar la atenuación de 3 dB. Así que, por ejemplo, si necesitas medir una onda senoidal de 100 MHz, podrías seleccionar un osciloscopio con un ancho de banda de 150 MHz o más.

Osciloscopios ROHDE AND SCHWARZ

Sin embargo, si tu forma de onda es más compleja, como una señal digital, entonces hay varias consideraciones. Una pauta para señales digitales u otras señales complejas es elegir un ancho de banda que sea de 3 a 5 veces más rápido que la señal de reloj o de datos más rápida. Por ejemplo, si mides un bus de memoria con una tasa de datos de 133 MHz, deberías elegir un ancho de banda de al menos 400 MHz. Sin embargo, esta pauta asume que el tiempo de subida de una señal digital está relacionado con la tasa de datos.

Osciloscopios ROHDE AND SCHWARZ

Los bordes de subida y bajada en las señales digitales tienden a tener más contenido de frecuencia que la frecuencia fundamental. Por lo tanto, usar la ecuación 0.35 sobre el tiempo de subida proporciona una estimación de primer orden del ancho de banda en la señal. Por ejemplo, considera el ejemplo del bus mencionado anteriormente. Si decimos que la señal tiene un tiempo de subida de 600 picosegundos, usando la ecuación anterior, podemos ver que hay contenido de frecuencia hasta 583 megahercios. ¡(Ese valor está dentro de la pauta de 3-5 veces la tasa de datos)!

Otras consideraciones sobre el ancho de banda.

La mayoría de los osciloscopios tienen opciones de ancho de banda que se pueden actualizar. Por supuesto, hay un límite a lo que se puede actualizar, pero podría haber un camino hacia adelante si descubres que el ancho de banda es demasiado limitado.

Demasiado ancho de banda puede afectar tu medición. En general, más ancho de banda en una medición también significa más ruido de banda ancha. Afortunadamente, muchos osciloscopios ofrecen filtros para reducir el ancho de banda en la entrada. Por ejemplo, todos los osciloscopios Rohde & Schwarz tienen un filtro de 20 MHz para mediciones de suministro de energía. Además, modelos como el R&S®MXO 4 y R&S®RTO 6 tienen un "modo HD" para equilibrar el ancho de banda y la resolución del ADC, ofreciendo alta precisión en mediciones de bajo ancho de banda.

¿Qué significa la tasa de muestreo?

El convertidor analógico a digital (ADC) en un osciloscopio digitaliza la señal analógica. La tasa a la que digitaliza se llama "tasa de muestreo". Los fabricantes especifican la tasa de muestreo como muestras por segundo. Por ejemplo, el osciloscopio R&S®RTC1000 de 300 MHz tiene una tasa de muestreo de 2 gigamuestras por segundo. También puedes ver la tasa de muestreo escrita como 2 Gsample/s, 2 GaSa/s o incluso 2 GSp/s.

¿Cómo elegir la tasa de muestreo que necesitas?

Como mínimo, la tasa de muestreo de un osciloscopio debería ser al menos 2.5 veces mayor que el ancho de banda. Por ejemplo, si el osciloscopio tiene un ancho de banda de 1.5 GHz, la tasa de muestreo debería ser superior a 3.75 gigamuestras por segundo. En general, la mayoría de los osciloscopios digitales cumplen con este requisito mínimo. Sin embargo, un osciloscopio puede entrelazar múltiples canales para lograr la tasa de muestreo más rápida.

Osciloscopios ROHDE AND SCHWARZ

Por ejemplo, el osciloscopio R&S®RTC1000 de 300 MHz muestrea a 2 Gsample/s en un solo canal, pero solo a 1 Gsample/s cuando se habilitan ambos canales. Afortunadamente, incluso con esta tasa de muestreo reducida, ¡el R&S®RTC1000 sigue sobre-muestreando a más de 2.5 veces el ancho de banda analógico!

En general, una tasa de muestreo más alta es mejor.

Otras consideraciones sobre la tasa de muestreo.

Los osciloscopios tienen diferentes modos de adquisición, como "detección de picos" o "alta resolución". Estos modos permiten que el ADC siga funcionando a su tasa de muestreo máxima, pero reducen la cantidad de puntos de datos almacenados en la memoria. Estos modos hacen que las tasas de muestreo más altas sean útiles para aplicaciones con señales relativamente lentas.

Bits del ADC.

¿Qué son los Bits del ADC?

El convertidor analógico a digital (ADC) de un osciloscopio genera valores binarios. Al igual que cualquier ADC, el número de bits que componen los valores binarios determina la resolución. Por ejemplo, un ADC de 8 bits genera 256 valores o niveles de voltaje únicos. Mientras que un ADC de 10 bits genera 1,024 valores únicos, y un ADC de 12 bits genera 4,096 niveles de voltaje.

Precisión versus Resolución (versus Sensibilidad).

Si bien la resolución de un ADC afecta la precisión de las mediciones de un osciloscopio, no es el único aspecto a considerar.

La definición de precisión es la diferencia entre la medición esperada y el valor real. En otras palabras, es la incertidumbre de una medición. La resolución, por otro lado, es el cambio más pequeño que un sistema de medición puede representar. En el caso de un osciloscopio, el ancho de bits del ADC domina la resolución. Por último, la sensibilidad es el cambio más pequeño detectable. Al principio, esta definición puede parecer la misma que la resolución, y los elementos individuales de un sistema de adquisición pueden tener una sensibilidad muy alta. Sin embargo, la sensibilidad general es la combinación de precisión y resolución.

Otras consideraciones.

¡No todos los osciloscopios operan a su ancho de bits completo todo el tiempo! Por lo tanto, debes revisar cuidadosamente la hoja de datos para comprender cualquier limitación. Afortunadamente, todos los osciloscopios R&S utilizan su ancho de bits completo en todo momento.

Además, algunos modelos de osciloscopios R&S pueden aumentar su ancho de bits efectivo con una función llamada "Modo HD". Este modo intercambia ancho de banda por mediciones de mayor resolución. Por ejemplo, el R&S®MXO4 ofrece un ADC de 12 bits que puede aumentar efectivamente hasta 18 bits.

Disparo (Triggering).

¿Qué significa Disparo?

En los osciloscopios digitales, el sistema de disparo observa la señal o señales bajo prueba en busca de eventos específicos. Cuando detecta estos criterios seleccionables por el usuario, genera una acción de disparo. El tipo de disapro más común es disparo por borde de nivel, y la acción más común es actualizar la pantalla con el evento en el centro.

Los sistemas de disparo pueden identificar muchos otros eventos, como anchos de pulso, voltajes de margen, niveles lógicos y paquetes de protocolo serial. También cuentan con varias herramientas para filtrar el ruido, calificar eventos válidos y disparar otros instrumentos.

¿Cómo elegir las características de disparo que necesitas?

Un sistema de disparo con todas las características puede reducir significativamente el tiempo de depuración y hacer posible caracterizar señales muy complejas.

La primera consideración es qué tipos de disparo admite un osciloscopio. Luego, puedes observar otras capacidades, como la histéresis ajustable y el disparo por secuencia.

Una histéresis ajustable significa que el disparo puede tolerar más ruido en una forma de onda o centrarse en un evento específico en un borde. Por ejemplo, los osciloscopios con sistemas de disparo digital preciso pueden activarse en eventos más pequeños que 0.0001 de una división vertical.

El disparo por secuencia, a veces llamada activación A->B, te permite crear una condición de disparo en dos etapas. Por ejemplo, puedes calificar un ancho de pulso específico solo después del borde descendente de una señal de habilitación.

Otras Consideraciones sobre disparo

Cuando evalúes el sistema de disapro de un osciloscopio, es esencial prestar atención cuidadosa a sus especificaciones. Algunos sistemas de disparo de osciloscopios solo pueden ser "de ancho de banda completo" en el disparo por borde. Los otros tipos de disparo pueden ser relativamente lentos en comparación con el ancho de banda del osciloscopio.

Osciloscopios como el R&S®MXO4 y el R&S®RTO6 utilizan un sistema de disparo digital. En lugar de depender de un circuito analógico para identificar eventos, un ASIC personalizado observa las muestras digitales del ADC en tiempo real para detectar eventos de disparo. Este método único de disparo proporciona la capacidad de activación más precisa. Una ventaja significativa de este sistema es que todos los tipos de disparo son de ancho de banda completo. Por ejemplo, la detección de fallos de un activador digital es tan rápida como un solo periodo de muestra del ADC. ¡Otro beneficio es la increíble sensibilidad al voltaje!

Profundidad de memoria (Memory Depth)

¿Qué significa profundidad de memoria?

El ADC almacena sus muestras en un búfer de memoria. Dado que los ADC suelen muestrear en el rango de gigabits, esta memoria debe estar cerca del ADC y ser muy rápida. La cantidad de muestras de adquisición almacenadas se llama "profundidad de memoria". Por ejemplo, si un canal tiene un búfer de 10 megapuntos, mantiene (hasta) diez millones de muestras durante cada adquisición.

Osciloscopios ROHDE AND SCHWARZ

Hay una conexión directa entre la velocidad a la que un osciloscopio muestrea, la cantidad de memoria que tiene y el tiempo que puede capturar. La configuración de la base de tiempo determina el tiempo mínimo durante el cual un osciloscopio captura una señal. El sistema de adquisición equilibrará la profundidad de memoria y la tasa de muestreo para maximizar la tasa de muestreo para una configuración de base de tiempo dada. Cuanta más memoria esté disponible, más lenta (larga) puede ser la configuración de la base de tiempo mientras mantiene una alta tasa de muestreo.

En general, más memoria es mejor. Sin embargo, algunos osciloscopios no maximizan el uso de su memoria profunda o se vuelven extremadamente lentos cuando operan con la memoria profunda habilitada.

¿Cómo elegir la profundidad de memoria que necesitas?

A diferencia de otras especificaciones clave del osciloscopio, no existen pautas simples para la profundidad de memoria. Sin embargo, si sabes que necesitas capturar una cierta cantidad de tiempo, puedes determinar la profundidad mínima de memoria que necesitas. Por ejemplo, para capturar 10 ciclos de una señal de reloj de 100 MHz, necesitarías capturar al menos 100 nanosegundos. A 1 Gsample/s, el ADC muestrea cada nanosegundo. Entonces, necesitarías una profundidad de memoria de 100 muestras.

Otras consideraciones sobre la profundidad de memoria

Una consideración para la memoria superficial frente a la memoria profunda es cómo el osciloscopio procesa su memoria de adquisición. Por ejemplo, los osciloscopios R&S®MXO, R&S®RTO y R&S®RTP tienen ASIC personalizados para ayudar a gestionar las operaciones de memoria profunda. Este ASIC mantiene el osciloscopio receptivo mientras se hace zoom hacia adentro o hacia afuera de las formas de onda y minimiza el tiempo de reactivación del disparador durante la adquisición.

Segmentación rápida y modo de historial

Otras consideraciones son los modos o características que usan la memoria de manera diferente a las adquisiciones simples. Por ejemplo, la característica de Segmentación rápida y el modo de historial en los osciloscopios R&S usan la memoria profunda de formas valiosas.

Osciloscopios ROHDE AND SCHWARZ

Con la segmentación rápida, el sistema de adquisición divide la memoria en fragmentos pequeños (pero iguales), o segmentos. Luego, estos fragmentos se llenan tan rápido como el sistema de disparo puede reactivarse. El controlador de memoria espera hasta llenar todos los segmentos antes de transferir los datos de adquisición a la CPU. El modo de segmentación rápida tiene el beneficio de reactivar el sistema de disparo lo más rápido posible y maximizar el uso de la memoria profunda. Es beneficioso para señales que tienen una naturaleza de ráfagas.

Osciloscopios ROHDE AND SCHWARZ

El modo de historial es otra forma innovadora de utilizar la memoria profunda. El controlador de memoria divide la memoria total disponible en fragmentos o segmentos, como en el modo de segmentación rápida. Sin embargo, el controlador llena los segmentos como un búfer circular, con el osciloscopio procesando cada segmento como en una operación normal. La diferencia con el modo de historial es que, cuando detienes el osciloscopio, puedes "retroceder" en el tiempo a adquisiciones anteriores. Esta función es ventajosa porque te da tiempo para presionar el botón de "detener" después de ver una anomalía en la pantalla.

Tasa de actualización de la forma de onda (Waveform Update Rate).

¿Qué significa la tasa de actualización de la forma de onda?

La tasa de actualización de la forma de onda, a veces llamada tasa de activación, es la velocidad a la que el osciloscopio puede adquirir formas de onda entre eventos de activación. En general, cuanto más rápido se vuelve a activar y desencadenar el osciloscopio, menos tiempo muerto hay entre adquisiciones.

El tiempo muerto es el tiempo entre adquisiciones en el que el osciloscopio no puede capturar una forma de onda. Cuanto menor sea el tiempo muerto, mayor será la tasa de activación y más probable será que el osciloscopio pueda capturar eventos poco frecuentes, como un pulso transitorio.

Osciloscopios ROHDE AND SCHWARZ

Algunos osciloscopios de Rohde & Schwarz tienen un ASIC personalizado que permite tasas de actualización de forma de onda ultra rápidas. Por ejemplo, el R&S®RTO6 puede adquirir hasta 1 millón de formas de onda por segundo. ¡Y el R&S®MXO 4 puede adquirir más de 4,5 millones de formas de onda por segundo!.

Otras consideraciones sobre la tasa de actualización de la forma de onda.

Diferentes mediciones, modos de adquisición y profundidades de memoria pueden afectar la tasa de actualización de la forma de onda. Algunos fabricantes de osciloscopios pueden especificar su tasa de actualización máxima (o tiempo muerto mínimo) solo cuando se habilitan modos especiales. Por lo tanto, al revisar esta especificación, es esencial entender bajo qué condiciones se aplica la tasa más rápida.

Sondas de osciloscopio (Probes)

¿Qué son las sondas de osciloscopio?

Antes de poder medir una señal, debes introducirla en el osciloscopio. A veces, puedes usar cables BNC (o SMA) para conectar directamente desde el dispositivo bajo prueba al panel frontal del osciloscopio. Sin embargo, en la mayoría de los casos, necesitarás usar una sonda.

Osciloscopios ROHDE AND SCHWARZ

¿Cómo elegir las sondas que necesitas?

El tipo de sonda más común es la sonda de voltaje pasiva. Estas sondas económicas son adecuadas para aplicaciones generales. Las sondas con diferentes factores de atenuación ofrecen ya sea un voltaje más alto o una menor carga sobre la señal.

Las sondas pasivas que vienen con un osciloscopio generalmente están calificadas en o ligeramente por encima del ancho de banda del osciloscopio. La mayoría de las sondas pasivas no exceden los 500 o 700 MHz de ancho de banda. Se necesita una sonda de voltaje activa para sondear señales con más de 700 MHz de ancho de banda.

Las sondas de voltaje activas utilizan un circuito amplificador que ofrece un mayor ancho de banda y menor carga en el circuito que las sondas pasivas. Vienen en formas de terminación simple, diferencial y modular. Como su nombre indica, estas sondas requieren energía para su funcionamiento.

Algunas sondas miden otras magnitudes además de voltaje. Por ejemplo, las sondas de corriente con sensor de efecto Hall miden la corriente a través de un cable de manera no intrusiva. Otro ejemplo son las sondas de campo cercano que miden los campos electromagnéticos emitidos por componentes, cables y PCBs.

En general, las sondas activas de un fabricante de osciloscopios pueden no ser compatibles con otro. Sin embargo, algunos fabricantes ofrecen adaptadores para sondas de otros proveedores. (Si planeas usar uno de estos adaptadores, ¡verifica que la sonda sea compatible con el adaptador!)

Rohde & Schwarz tiene una amplia variedad de sondas pasivas, activas y no voltaje, con múltiples factores de forma.

Otras consideraciones sobre las sondas de osciloscopio.

Los osciloscopios con anchos de banda más bajos, generalmente menos de 200 MHz, solo admiten una interfaz de sonda pasiva. En otras palabras, solo tienen un conector BNC en el frente. Por otro lado, un osciloscopio con más de 200 MHz puede tener una interfaz de sonda activa que admite tanto sondas pasivas como activas.

Instrumentos integrados

Los osciloscopios han evolucionado más allá de ser solo una herramienta de medición de formas de onda. Al elegir un osciloscopio, considera los otros instrumentos integrados en él. Aquí hay algunas capacidades adicionales a considerar.

Análisis de espectro (FFT) con osciloscopios (Spectrum Analysis (FFT)).

Una Transformada Rápida de Fourier, o FFT, convierte las formas de onda en el dominio del tiempo en un gráfico en el dominio de la frecuencia. La pantalla del osciloscopio muestra frecuencia y magnitud (en lugar de tiempo y amplitud). A diferencia de los analizadores de espectro tradicionales, los osciloscopios con capacidad de análisis de espectro pueden medir hasta 0 Hz o DC.

Osciloscopios ROHDE AND SCHWARZ

Las FFT pueden ser implementadas como una función matemática simple con controles limitados o aceleradas por hardware con controles similares a los de un analizador de espectro. Además, el R&S RTO6 ofrece una capacidad única de Zone Trigger que te permite colocar un cuadro donde podría (o no debería) ocurrir un espurio, para limitar las actualizaciones de la pantalla a una frecuencia de interés.

Generador de formas de onda arbitrarias (Arbitrary Waveform Generator).

Un generador de formas de onda arbitrarias integrado emite funciones como ondas seno, triángulo y cuadrada con modulación como AM, FM, FSK y PWM. Tener un generador integrado en el osciloscopio puede ahorrar espacio en tu banco de trabajo. Además, muchos osciloscopios pueden utilizar el generador para crear una señal que se introduzca en un circuito, mientras que un canal analógico mide la salida. Por ejemplo, la opción R&S®MXO4-K36 de análisis de respuesta en frecuencia (FRA) crea gráficos de Bode de la respuesta del lazo de control (CLR) de una fuente de alimentación y la relación de rechazo de fuente de alimentación (PSRR).

Osciloscopios ROHDE AND SCHWARZ

La mayoría de los osciloscopios Rohde & Schwarz ofrecen una opción de generador de formas de onda arbitrarias, ya sea como una opción de software o como un módulo de hardware adicional.

Analizador lógico (Logic Analyzer).

Los osciloscopios con canales digitales pueden capturar tanto formas de onda analógicas como digitales. Los canales lógicos suelen estar correlacionados en el tiempo, lo que significa que el osciloscopio los muestrea simultáneamente con los canales analógicos. Esta capacidad permite que la pantalla muestre los eventos en ambos tipos de canales sincronizados en el tiempo.

Osciloscopios ROHDE AND SCHWARZ

Todos los osciloscopios Rohde & Schwarz ofrecen canales digitales como opción. Dependiendo del modelo, están disponibles 8 o 16 canales.

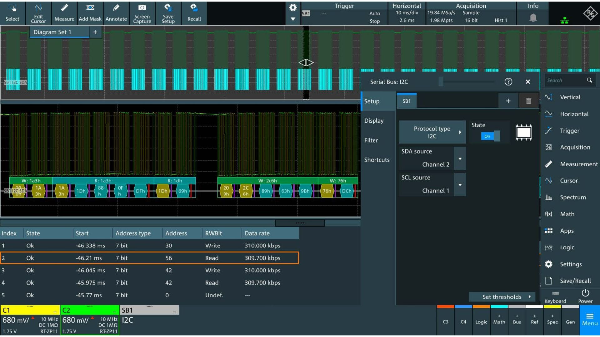
Analizador de protocolos (Protocol Analyzer).

El análisis de protocolos toma la forma de onda adquirida (ya sea en los canales analógicos o digitales) y la decodifica en una visualización del protocolo. Por ejemplo, muchos diseños basados en microcontroladores utilizan un bus SPI, I2C o UART para la comunicación. Usando las funciones de analizador de protocolos de un osciloscopio, puedes activar eventos específicos del protocolo, como el inicio de un paquete o, en algunos casos, un error CRC. Una vez activado, una pantalla de decodificación facilita la lectura de las transacciones del bus.

Osciloscopios ROHDE AND SCHWARZ

Existen al menos dos formas de ver los datos. Una es ver una superposición sobre la forma de onda adquirida. Esta vista es útil para determinar si un problema de integridad de la señal está causando un problema en el protocolo. Otra vista es una tabla de protocolos. Esta vista compacta te permite ver mucha actividad del protocolo en un corto período de tiempo.

Todos los osciloscopios Rohde & Schwarz ofrecen diversas opciones de decodificación que pueden incluirse en el momento de la compra o habilitarse después de la compra.

Factor de forma.

Los osciloscopios vienen en una variedad de tamaños. En general, a mayor ancho de banda, mayor tamaño del equipo. Los osciloscopios portátiles ahora tienen la misma capacidad que los de estilo banco tradicionales.

Osciloscopios ROHDE AND SCHWARZ

Control remoto.

¿Qué significa control remoto?

El control remoto significa conectarse al instrumento desde una PC y controlarlo como si estuvieras sentado frente a él. En este modelo de uso, haces clic en botones o perillas en un panel frontal virtual a través de un navegador web que imita el panel frontal del instrumento.

Osciloscopios ROHDE AND SCHWARZ

¿Cómo elegir qué tipo de acceso remoto necesitas?

Si necesitas acceder al osciloscopio de forma remota desde tu laboratorio, asegúrate de que soporte la operación remota. Por ejemplo, el R&S®RTB, R&S®RTM, R&S®MXO 4, R&S®RTO 6 y R&S®RTP todos soportan un panel frontal virtual a través de una interfaz basada en navegador web.

Otras consideraciones sobre el acceso remoto.

La mayoría de los osciloscopios que soportan GPIB requieren una opción de hardware adicional que debe ser comprada.

Osciloscopios ROHDE AND SCHWARZ

Automatización (y conectividad).

¿Qué significa automatización (y conectividad)?

La automatización significa controlar un instrumento desde una PC a través de un entorno de programación como NI's LabView™, MATLAB® de MathWorks o Python. Estos entornos envían comandos al osciloscopio a través de USB, Ethernet o GPIB.

Resumen.

Elegir el osciloscopio adecuado es una decisión importante. La especificación más importante para considerar es el ancho de banda. Después de eso, puedes considerar otros aspectos.

Las altas tasas de actualización de forma de onda reducen significativamente las tareas de depuración y caracterización. Generalmente, si la actualización de la forma de onda se acelera, entonces el osciloscopio también puede manejar memoria profunda muy rápido.

Al evaluar las capacidades de disparo, considera más que solo los modos disponibles. Verifica que las especificaciones de cada uno de esos modos coincidan con las necesidades de tu aplicación y evalúa factores críticos como la sensibilidad al voltaje.

Recuerda, los osciloscopios ahora incorporan múltiples instrumentos de prueba. Por ejemplo, si el osciloscopio tiene un FFT rápido y sensible, puede actuar como un analizador de espectro en tiempo real. O, con disparos de protocolo, puedes usarlo como un analizador lógico.

Por último, hay una variedad de factores de forma, desde portátiles hasta de banco, para adaptarse a una amplia gama de casos de uso.

¡AGtel puede apoyarlo en la selección de Osciloscopios cualquiera que sea su requerimiento tecnológico!

Ficha Tecnica

Ficha técnica

Osciloscopios ROHDE AND SCHWARZ

Osciloscopio_MXO_5.pdf

¿Deseas más información?

Llena el siguiente formulario y nos pondremos en contacto contigo a la brevedad